+38 (048) 740 70 47 Для дзвінків з України Замовити дзвінок

ua Pl

Українська версія сайту

Ви завжди зможете переключити мову сайту, скориставшись перемикачем.

науково-виробниче об'єднання

АГРО-СІМО-МАШБУД

у вигляді товариства з обмеженою відповідальністю

Меню

Вентилятор відцентровий ВВТ

Застосовується в системах вентиляції, кондиціонування і опалення приміщень, якщо повітря потрібно подавати через велику протяжність/складність повітряних каналів, в технологічних процесах (подача повітря в печі, вагранки та інше) та в установках пневмотранспорту ежекційного типу.

Призначення:

ВВТ №5 належать до серії відцентрових вентиляторів з високим тиском. Його застосовують:

    • в системах вентиляції, кондиціонування і опалення приміщень, якщо повітря потрібно подавати через велику протяжність/складність повітряних каналів;
    • в технологічних процесах (подача повітря в печі, вагранки та інше);
    • в установках пневмотранспорту ежекційного типу.

Даний вентилятор виготовляється у відповідності з ТУ У 29.2-36342124-01-2017 на сучасному обладнанні і з застосуванням нових технологій. Він відповідає усім відповідним стандартам ДСТУ (ГОСТ). По технічним параметрам ВВТ-5 більш досконалий і ефективний за аналоги, що робились і досі робляться на деяких заводах в Україні. Найбільш поширені варіанти назв моделі серед виробників вентиляційного обладнання України: ВВТ №5 (ВВТ 5, ВВТ-5, ВВТ5), ВР 154-21-5 (ВР154-21-5, ВР 154 21 5), ВР 160-18-5 (ВР160-18-5, ВР 160 18 5).

Технічні характеристики:

Найменування Марка ВВТ №5
АІР80В4 АІР100L2 АІР112М2 АІР132М2
1. Виконання Схема 1
2. Потужність, кВт 1,5 5,5 7,5 11
3. Частота обертання, об/хв 1 500 3 000 3 000 3 000
4. Продуктивність, м3/год 900 2 400 3 300 4 000
5. Тиск, Па 1 450 5 500 5 000 4 700
6. Повна маса, кг 71 83 104 109

Основні дані:

    • вентилятор центробіжний (радіальний) високого тиску;
    • матеріал вуглецева сталь (під замовлення - алюміній, нержавіюча сталь, різнорідні метали);
    • кут повороту корпусу улітки - кратний 45° (виставляється на заводі);
    • обертання робочого колеса ліве або праве;
    • виконання 1 (робоче колесо на валу електродвигуна);
    • комплектація електродвигунами потужністю 1,5 ... 11 кВт;
    • діаметр робочого колеса 500 мм;
    • кількість лопаток робочого колеса 12 шт.;
    • лопатки загнуті назад;
    • продуктивність 900 ... 4 000 м³/час;
    • робочий тиск 1 450 ... 5 500 Па;
    • температура робочого середовища до 80°С;
    • температура робочого середовища до 80°С;
    • напруга мережі 380 В.

Конструкція і принцип роботи:

Напрям обертання вентилятора ВВТ-5 та кути повороту корпусу улітки:

Напрям обертання вентилятора ВВТ-5

Позначення на схемі:

    • ПР - праве обертання вентилятора: ВВТ №5 (правий)
    • ЛІВ - ліве обертання вентилятора: ВВТ №5 (лівий)
    • 0°...315° - кут повороту корпусу вентилятора

Як визначити напрямок обертання?

Напрям корпусу вентилятора відповідає напряму обертання робочого колеса і визначається З БОКУ ВСМОКТУВАННЯ ПОВІТРЯ: обертання ПРАВЕ - якщо спіраль улітки направлена ЗА годинниковою стрілкою; обертання ЛІВЕ - якщо спіраль улітки направлена ПРОТИ годинникової стрілки.

Кути повороту корпусу ВВТ-5:

Центробіжні вентилятори ВВТ-5 можуть бути виготовлені з будь-яким кутом повороту улітки. Це дозволяє суттєво спростити монтаж як самого вентилятора, так і повітропроводів, що до нього підводяться. Стандартні кути повороту улітки: 0°, 45°, 90°, 135°, 180°, 225°, 270° та 315°.

Як правило, не рекомендується змінювати кут повороту корпусу вентилятора своїми силами, оскільки буде порушене балансування робочого колеса. У процесі збирання вентилятора на заводі улітку виставляють під необхідним кутом з наступним динамічним балансуванням робочого колеса на валу електродвигуна.

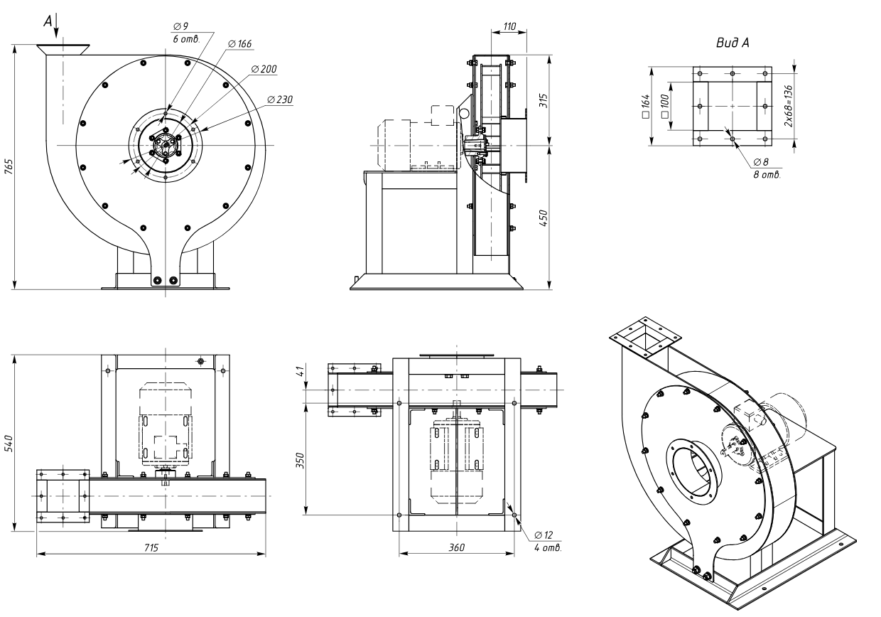
Вузли вентилятора ВВТ №5:

    • Корпус вентилятора ВВТ №5 (улітка). Корпус металевий, зварний, спіральної форми. Правого або лівого обертання. Має круглий вхідний і квадратний вихідний патрубки з приєднувальними фланцями. Згідно ДСТУ 5976 улітка вентилятора на заводі може бути виставлена під будь-яким кутом кратним 45° (або іншим, який побажає замовник).
    • Робоче колесо вентилятора ВВТ №5. Рабоче колесо металеве, зварне, правого або лівого обертання. Насаджується безпосередньо на вал електродвигуна. Має 12 загнутих назад лопаток. Динамічно збалансоване. Діаметр робочого колеса 500 мм (D=1,0×Dн). Бувають модифікації з більшим і меньшим діаметром на 5% і 10% (D=0,9×Dн, D=0,95×Dн, D=1,05×Dн, D=1,1×Dн), але виготовляються тільки під замовлення.
    • Електродвигун АІР для улітки ВВТ №5. Електродвигун встановлюється на станині, або, в окремих випадках, може кріпитись до корпусу вентилятора. Для комплектації ВВТ 5 підходять двигуни потужністю 1,1 кВт з частотою обертання 1500 об/хв і двигуни від 5,5 до 11 кВт з частотою 3000 кВт. Загальнопромислові асинхронні електродвигуни з короткозамкненим ротором серії АІР входять в базову комплектацію вентилятора. Але в залежності від умов експлуатації може бути встановлений електромотор іншої серії.
    • Станина вентилятора (рама). Станина металева, зварна. До неї кріпляться всі основні вузли відцентрового вентилятора. Для кріплення до монтажної поверхні в рамі передбачені отвори, які також можуть бути використані для установки вентилятора на віброізолятори.

Матеріал корпусу і робочого колеса:

    • Вуглецева сталь. Стандартне виконання. Використовується в більшості випадків. Саме поширене.
    • Нержавіюча сталь. Корозійностійке виконання. Використовуєтья у випадках, коли вентилятор працює в умовах підвищеної агресивності робочого середовища.
    • Різнорідні метали. Вибухозахищене виконання. Використовується на об'єктах з високими вимогами по вибухобезпеці і де дуже висока вірогідність займання переміщуваної газо-повітряної суміші.
    • Алюмінієві сплави. Вибухозахищене виконання. Все аналогічно попередньому пункту. Основна відмінність виконання із алюмінієвих сплавів від різнорідних металів - це 100% гарантія вибухозахищеності та вільне проходження за всіма державними нормами, стандартами і вимогами вибухобезпеки. Але є і болючий для багатьох "підводний камінь" - ЦІНА. Радіальний вентилятор із алюмінія значно дорожчий від вентилятора із різнорідних металів - орієнтовно в 3-4 рази.

Конструктивне виконання вентилятора ВВТ №5. Для витяжки ВВТ №5 передбачене Виконання 1 (Схема 1) - робоче колесо центробіжного вентилятора насаджене безпосередньо на вал електродвигуна. Переваги наших промислових вентиляторів надійність конструкції підвищена продуктивність низькі експлуатаційні затрати висока якість матеріалів висока точність балансування робочого колеса комплектація якісними електродвигунами порошкове фарбування вузлів вентилятора доступна ціна 2 роки гарантія.

Переваги наших промислових вентиляторів:

    • надійність конструкції
    • підвищена продуктивність
    • низькі експлуатаційні затрати
    • висока якість матеріалів
    • висока точність балансування робочого колеса
    • комплектація якісними електродвигунами
    • порошкове фарбування вузлів вентилятора
    • доступна ціна
    • 2 роки гарантія

Рекомендуємо також:

Вентилятори радіальні ВР

Застосовуються в системах кондиціонування повітря, вентиляції, повітряного опалення та для інших санітарно-виробничих цілей. Перейти

Вентилятори радіальні середнього тиску ВСД

Використовуються в системах пневмотранспорту зерна і продуктів його переробки, в системах аспірації обладнання та машин в якості спонукача тяги для переміщення повітря і інших газових сумішей, що не містять липких речовин, волокнистих матеріалів, з вмістом пилу та інших твердих домішок не більше 100 мг/м 3. Перейти

Вентилятори радіальні високого тиску ВВД

Призначені для переміщення аспіраційних відходів і продуктів помелу в пневмотранспортних системах борошномельного обладнання, а також лініях виробництва круп. Перейти

Батарейні установки циклонів ББЦ, ББЦп

Призначені для очищення запиленого повітря, що відсмоктується від устаткування в аспіраційних мережах елеваторів, борошномельних підприємств, круп'яних і комбікормових заводів. Перейти

Не можете визначитися з вибором?
Менеджер допоможе Вам:

Догори